Beskrivning
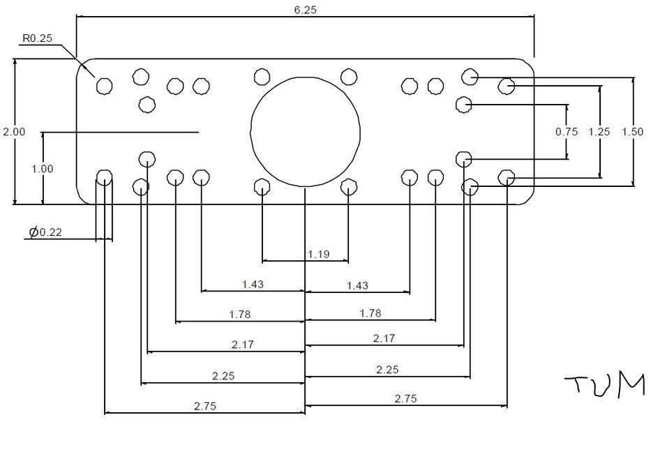
The RAM-111U consists of a 2.5" diameter round base that contains the universal AMPs hole pattern, STANDARD LENGTH double socket arm and 6.25" x 2" rectangle base. The rectangle base contains different combinations of pre-drilled holes which will match up to many electronic devices and mounts, including Marine GPS, CB Radios, Ham Radios, Gimbal Brackets and more.
Overall Length:
7.35"
Weight Capacity:
Up to 10 lbs.






