Beskrivning
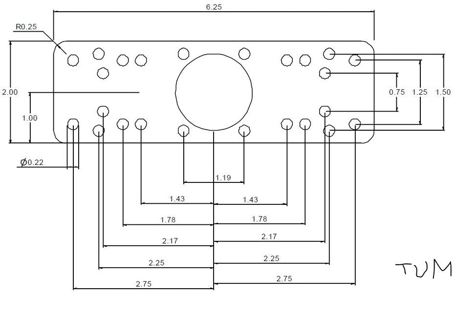
The RAM-111BU consists of a 1.5" diameter rubber ball connected at right angles to a flat 6.25 x 2" rectangular plate. The plate contains different combinations of pre-drilled holes which will match up to many electronic devices and mounts, including Marine GPS, CB Radios, Ham Radios, Gimbal Brackets and more. 
OBS! 1.5" C-kula
RAM-111BU




